Артикул:9090789
Характеристики
Производитель
—
WIKA
Резьба присоединения
—
Подходит для G1/8 и М10х1
Материал
—
Медь
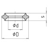
Габаритные размеры
—
D=8 мм, d=4,1 мм, s=2,7 мм
Достаточно
Нашли дешевле?
Отправить заявку
Наши менеджеры обязательно свяжутся с вами и уточнят условия заказа
Самовывоз - бесплатно
Доставка до адреса - 600 ₽
Доставка до терминала ТК - бесплатно
Доставка до адреса - 600 ₽
Доставка до терминала ТК - бесплатно
Уплотнительные шайбы немецкого производителя Wika служат для герметизации приборов (манометров) и фитингов, и контролируют утечку жидких и газообразных веществ. В ассортименте Wika представлены шайбы из различных материалов и различных размеров: медь, сталь нержавеющая и ПТФЭ. Эти составляющие одни из преимуществ данного уплотнителя. Так же, как высочайшее немецкое качество и точная работа приборов.
Отзывы
Оставить отзыв
Загрузка отзывов...
В комплект входит:
- Паспорт
- Прибор
- Паспорт
- Прибор
Заказ и оплата:
Сделать заказ, узнать о наличии товара или уточнить цену, можно любым удобным для вас способом:
- Отправив заявку на электронную почту sales@manometer-spb.ru
- Позвонив нам по телефону +7 (812) 467-90-70
- Оформив заказ через раздел "Корзина".
После оформления заказа на нашем сайте или отправки заявки на электронную почту, наш менеджер свяжется с вами для уточнения деталей заказа.
Обращаем ваше внимание! Цены, указанные на сайте носят ориентировочный характер и не являются публичной офертой.
- Доставка. По Санкт-Петербургу (в пределах КАД) мы осуществляем бесплатную доставку при заказе от 20000 рублей. При сумме заказа менее 20000 рублей, стоимость доставки составит 600 рублей. Стоимость доставки по Ленинградской области нужно согласовывать с Вашим менеджером.
- Самовывоз.Вы можете самостоятельно забрать заказ на нашем складе по адресу: 192289, г. Санкт-Петербург, пр. Девятого Января, д.3, корп.1.
- Доставка транспортной компанией. Доставка до склада транспортной компании осуществляется бесплатно при любой сумме заказа.
Время работы: понедельник – четверг с 09.00 до 17.30, в пятницу до 17.00.
Мы осуществим организацию доставки ваших заказов в регионы России. Мы работаем с надежными транспортными компаниями:
- ПЭК
- Деловые Линии
- ЖелДорЭкспедиция
- Север-Транс
- СДЭК
Заказы отправляются авиа-, авто- или железнодорожным транспортом, в зависимости от Ваших пожеланий.
